
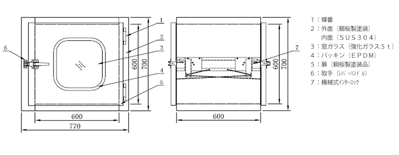
クリーンルームへ材料や部品の受け渡しに使用します。インターロック機能により同時に両側の扉は開きません。


| FSI-PBN-0404 | FSI-PBN-0606 | FSI-PBN-0808 | FSI-PBN-1010 | ||
|---|---|---|---|---|---|
| 有効寸法 | H(mm) | 400 | 600 | 800 | 1000 |
| D(mm) | 400 | 600 | 800 | 1000 | |
| W(mm) | 400 | 600 | 800 | 1000 | |
| 外形寸法 | H(mm) | 570 | 770 | 970 | 1170 |
| D(mm) | 500 | 770 | 900 | 1100 | |
| W(mm) | 480 | 680 | 880 | 1080 | |
| 材 質 | 本体 | 鋼板製メラミン樹脂焼付塗装(塗装色:標準色) | |||
| 内面 | ステンレス(SUS304、HL仕上) | ||||
| 扉 | 鋼板製メラミン樹脂焼付塗装(窓付:強化ガラス) | ||||
| 内蔵フィルタ | 吹出口 | ー | |||
| 吸込口 | ー | ||||
| 照明器具 | ー | ||||
| 電源 | ー | ||||
| オプション |
|
||||